Bạn có biết rằng bể hiếu khí Aerotank đóng vai trò quan trọng trong việc xử lý môi trường? Trong phần mở bài này, chúng ta sẽ cùng tìm hiểu về bể Aerotank là gì và tại sao nó lại được coi là một giải pháp tiên tiến trong việc xử lý môi trường. Hãy cùng nhau đào sâu vào thế giới của bể Aerotank và khám phá những điều thú vị về công nghệ xử lý môi trường đầy hứa hẹn này.
Bể aerotank là gì?
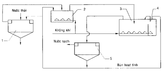
Bể Aerotank, còn được biết đến là bể sinh học hiếu khí, là một thành phần quan trọng trong quy trình xử lý sinh học hiếu khí nhân tạo. Trong bể Aerotank, nước thải và bùn sẽ được kết hợp và trộn đều, đồng thời, các chủng vi sinh có khả năng oxi hóa và phân hủy chất hữu cơ ô nhiễm trong nước thải sẽ hoạt động hiệu quả. Bằng cách này, bể Aerotank đóng vai trò quan trọng trong quá trình xử lý và làm sạch nước thải.

Xem thêm: Giá bùn vi sinh xử lý nước thải? Cung cấp bùn vi sinh uy tín
Cấu tạo bể hiếu khí Aerotank
Bể Aerotank trong quá trình xử lý nước thải cần tuân thủ ba yếu tố cấu tạo quan trọng sau:
- Duy trì mật độ bùn cao trong bể để tạo điều kiện cho sự phát triển liên tục của vi sinh, đặc biệt trong giai đoạn “bùn trẻ”.
- Cung cấp đủ lượng oxy cần thiết cho vi sinh tại mọi vị trí trong bể. Để đạt được điều này, bể được thiết kế với một khối chữ nhật bên trong và trang bị hệ thống phân phối khí như đĩa thổi khí và ống phân phối khí, nhằm tăng cường lượng oxy hòa tan trong nước (DO).
- Bể Aerotank có chiều cao từ 2,5m trở lên, nhằm đảm bảo lượng không khí được hòa tan đầy đủ trong nước khi sục khí vào. Nếu chiều cao bể thấp, oxy sẽ không đủ và không thể hòa tan hoàn toàn trong nước.
- Trong trường hợp diện tích hạn chế, bên trong bể có thể được bổ sung thêm giá thể vi sinh. Trên thị trường hiện nay, có nhiều loại giá thể khác nhau như dạng tấm, dạng cầu, … để đáp ứng yêu cầu công nghệ.

Nguyên lý vận hành của bể Aerotank
Bể Aerotank hoạt động dựa trên nguyên lý oxy hóa sinh học, nhằm loại bỏ các chất ô nhiễm từ nước thải. Dưới đây là nguyên lý vận hành cơ bản của bể Aerotank:
- Pha tiếp xúc: Nước thải chảy vào bể, tại đây nó sẽ tiếp xúc với không khí hoặc oxy được cung cấp thông qua quá trình sục khí. Oxy hòa tan trong nước thải sẽ tạo điều kiện thuận lợi cho vi sinh vật oxy hóa phát triển và hoạt động.
- Pha Oxy hóa: Các vi sinh vật này sử dụng oxy để phân giải các chất hữu cơ trong nước thải, chuyển chúng thành CO2, nước và năng lượng. Quá trình này giúp loại bỏ hoặc giảm lượng chất ô nhiễm có trong nước thải.
- Pha Tách bùn: Sau khi quá trình oxy hóa kết thúc, bùn kí sinh vật sẽ được tách ra từ nước qua quá trình lắng đọng. Bùn này sau đó có thể được sử dụng làm phân bón hoặc xử lý thêm theo cách khác.
- Pha Tái sử dụng: Nước sau cùng được đưa ra khỏi bể, qua quá trình lọc và xử lý thêm nếu cần, trước khi được tái sử dụng hoặc thải ra môi trường một cách an toàn.
Tham khảo thêm: Nước thải thủy sản gồm những thành phần gì?
Ưu và nhược điểm của bể Aerotank
Bể hiếu khí Aerotank, giống như bất kỳ công nghệ xử lý nước thải nào khác, có cả ưu điểm và nhược điểm. Dưới đây là một số ưu điểm và nhược điểm tiêu biểu:
Ưu điểm:
- Hiệu quả xử lý cao: Bể Aerotank có khả năng loại bỏ hiệu quả các chất hữu cơ, các hợp chất nitơ và phốt-pho từ nước thải.
- Khả năng điều chỉnh linh hoạt: Bể Aerotank có thể điều chỉnh linh hoạt để đáp ứng yêu cầu của nước thải có nồng độ ô nhiễm khác nhau.
- Tiết kiệm không gian: So với các phương pháp xử lý nước thải truyền thống, Bể Aerotank thường chiếm ít không gian hơn, làm cho nó phù hợp cho các khu vực có diện tích giới hạn.
Nhược điểm:
- Chi phí vận hành và bảo dưỡng cao: Việc cung cấp oxy cho quá trình sinh học trong bể yêu cầu một lượng lớn năng lượng, tăng chi phí vận hành. Bên cạnh đó, việc bảo dưỡng và kiểm soát các hệ thống sục khí cũng đòi hỏi nhiều công sức và chi phí.
- Yêu cầu kiểm soát chặt chẽ: Để đảm bảo hiệu suất xử lý tốt, việc kiểm soát các tham số như nồng độ oxy hòa tan, pH, và nhiệt độ là rất quan trọng. Điều này đòi hỏi các hệ thống giám sát và kiểm soát phức tạp.
- Bùn thải: Quá trình xử lý sinh học tạo ra một lượng lớn bùn thải, yêu cầu xử lý thêm.
Cách khắc phục sự cố khi vận hành bể Aerotank
Trong quá trình vận hành bể Aerotank, có thể xảy ra một số sự cố. Dưới đây là một số giải pháp khắc phục:
- Thiếu oxy: Nếu bể thiếu oxy, quá trình phân giải chất ô nhiễm sẽ không hiệu quả. Giải pháp là tăng cường hệ thống cung cấp oxy, kiểm tra và bảo dưỡng định kỳ hệ thống sục khí để đảm bảo chúng hoạt động ổn định.
- Tăng nồng độ chất ô nhiễm: Nếu nước thải chứa lượng chất ô nhiễm quá cao so với khả năng xử lý của bể, việc phân giải chất ô nhiễm sẽ không hiệu quả. Trong trường hợp này, cần phải giảm nồng độ chất ô nhiễm trước khi đưa vào bể, hoặc tăng cường khả năng xử lý của bể (bằng cách tăng cường số lượng vi sinh vật, oxy, hoặc mở rộng bể).
- Tăng nồng độ bùn: Nếu bể chứa quá nhiều bùn, điều này có thể gây tắc nghẽn và làm giảm hiệu quả xử lý. Giải pháp là thường xuyên loại bỏ bùn ra khỏi bể và xử lý đúng cách.
- Rò rỉ nước: Nếu bể bị rò rỉ nước, điều này không chỉ làm mất nước mà còn có thể làm giảm hiệu quả xử lý. Cần phải kiểm tra kỹ càng để tìm ra vị trí rò rỉ và sửa chữa ngay lập tức.
Xem thêm: Hướng dẫn xử lý nước thải cực đơn giản tại nhà
Hy vọng rằng những chia sẻ của chúng tôi đã giúp bạn hiểu rõ hơn về các đặc tính và nguyên tắc hoạt động của bể aerotank
